Letkurikkoventtiilit / Putkirikkoventtiilit
- CFS
- CFS-Flach
- ESV
- RS
CFS 16 / CFS 20
Kompaktit kaivinkoneen letkurikkoventtiilit vaativiin sovelluksiin
CFS 16 & CFS 20, molemmissa sama runko, paino 3,6 kg!
Standardit
- EN474 / ISO 8643 / DIN 24093
Perustoiminto
- Sylinterin hallitsemattoman liikkeen estäminen letkun katketessa
Edut:
Puomin pehmeä liikkeellelähtö
- ”Esiavaus”: Avataan virtaustietä pääkaran jousitilasta tankkiin, pääkara liikkeelle vasta kun paine jousitilassa kyllin pieni
- ”Progressiivinen kuristus”: Pääkaran asemaan verrannollinen kuristus kuormaliitännän ja pääkaran jousitilan välillä
- ”Seurantaperiaate”: Virtauksensäädössä pääkara jatkuvasti seuraa esiavausmännän asemaa
Turvallisuus / Puomi ei valu paikaltaan
- “Vuodoton”: Kannateltaessa kuormaa, kuormanpaine pyrkii sulkemaan venttiiliä
- “Lukkotyypin venttiili”: Venttiili sulkeutuu vaikka pääkaran jousi katkeaisi
Keveys / Pienempi tilantarve
- Valamalla tehty venttiilirunko on hyvin kompakti
- Pääkarasta erillään oleva esiohjaus --> Runko on voitu konstruoida vapaammin
- 3,6 kg painollaan huomattavasti kevyempi kuin yleiset kilpailevat konstruktiot
Tarkka ohjaus
- Ohjauksen hystereesi minimoitu (1 dynaaminen tiiviste, sekin erityistä pienikitkaista materiaalia)
- Ohjaus samanlainen isoilla ja pienillä taakoilla (venttiili on lähes painekompensoitu)
Tekniset tiedot:
CFS 16
- Liitännät: SAE 3/4'' 6000 psi
- Nimellisvirtaus: 250 L/min
- Max käyttöpaine: 420 bar
CFS 20
- Liitännät: SAE 1'' 6000 psi
- Nimellisvirtaus: 350 L/min
- Max käyttöpaine: 420 bar
Säädöt:
- Venttiili alkaa avautua: 4 - 12 bar (voidaan valita)
- Venttiili täysin auki: Avautumispaine + 18 bar + vuotolinjan paine
- PRV säätöalue: 320 - 420 bar, tehdassäätö sinetöitynä, muitakin versioita tarpeen mukaan

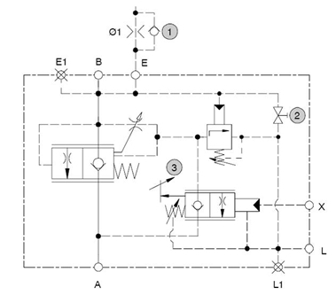
Liitännät (katso kaaviokuva)
A Syöttö / Paluu
B Toimilaite (kuorma)
E, E1 Tasausputki/-letku
L, L1 Vuoto
X Ohjaus
Optiot (katso kaaviokuva)
- Tasausputken varmistus
- Hätälasku
- Iskun rajoitus

Huomionarvoista (katso halkileikkauskuva)
- Esiohjaus erillään pääkarasta
- Venttiili voitu konstruoida vapaammin ja saatu kompaktiksi
- Seurantaperiaate
- Tarkka ohjaus / pehmeä avautuminen
- Lukko-tyypin venttiili
- Vuodottomin ja turvallisin konstruktio
Venttiilin osat (katso halkileikkauskuva)
- Päävirtauksen säätö-osa
- Esiohjaus-osa
- Sekundääripaineenrajoitus-osa
- Pääkaran jousi
- Esiohjauksen jousi
- Sekundääripaineenrajoituksen jousi
- Esiohjauksen säätöruuvi
- Sekundääripaineenrajoituksen istukka
- Pääkara
- Esiohjauskara
- Esiavausmäntä
- Esiohjauskaran iskunrajoitusruuvi
- Sekundääripaineenrajoituksen säätöruuvi
- Hätälaskuruuvi
Kaivinkoneen letkurikkoventtiilit, Euroopassa sovellettavia säännöksiä (EN 474-5:1996, ISO 8643:1988, EN982:1996)
- Yli 1000 kg taakkojen nostamiseen soveltuvien kaivinkoneiden puominnostosylinterit on varustettava turvalaittein letkunkatkeamista vastaan
- Sylinterin liikenopeus voi maksimissaan kaksinkertaistua letkun katketessa
- Kannateltava taakka saa valua maksimissaan 10 mm/s (järjestelmän sisäisistä vuodoista johtuen, suuntaventtiilin ollessa neutraaliasennossa)
- Turvalaitteen toiminta ei saa heikentää normaaleja ohjauksen vasteita eikä missään tilanteessa vaarantaa koneen vakavuutta
- Letkurikkoventtiili on asennettava suoraan sylinteriin kiinni, letkujen käyttö venttiilin ja sylinterin välissä on kielletty
- Huom! Tämä ei ole täydellinen lista vaatimuksista, mukana ainoastaan eräitä vapaasti suomennettuja kohtia
CFS-Flach
CFS-Flach vastaa sisäosiltaan ja muutenkin hyvin pitkälti perustyypin CFS-venttiiliä, mutta se on varustettu litteällä ulokkeella joka sisältää SAE-laippaliitännän (sylinteriliitännän). Näin ollen tietyissä sovelluksissa vältytään välilaatan käytöltä.
Max. käyttöpaine: 420 bar (6000psi)
Standardikoko:
- CFS-Flach 16 (SAE ¾'' 6000 psi, Qnim=250 L/min)
Muut koot:
- CFS-Flach 20 (SAE 1'' 6000 psi, Qnim=350 L/min)
- CFS-Flach 25 (Qnim=500 L/min)
CFS-sarjan venttiilit ovat kaivinkonestandardien ISO 8643, EN 474 ja DIN 24093 määräyksiä täyttämään suunniteltuja venttiileitä.
Tyypillinen käyttökohde:
- "Tarkkailuventtiilinä”/”Letkurikkoventtiilinä” eli että seurailee suuntaventtiilin pääkaraa laskuliikkeen aikana ja avautuu aina hieman enemmän kuin pääkara. CFS:ää ohjataan auki samalla pilottipaineella kuin suuntaventtiiliä. Normaalikäytössä suuntaventtiili kantaa taakan, mutta letkurikkotilanteessa CFS ottaa sen nopeasti haltuunsa ennen kuin laskuvauhti ehtii ylen määrin kiihtyä.
Muita käyttökohteita:
- Pehmeästi sulkevana ja tiiviinä ”sulkuventtiilinä”/”pitoventtiilinä”/”ohjattuna vastaventtiilinä”. Mahdollinen käyttökohde esim. kellutusasennon ohjauselimenä. X-aukkoa voidaan rasittaa isommallakin paineella, kuten esim. 250 bar.
- CFS:ää on mahdollista käyttää myös varsinaista taakkaa kantavana elimenä eli ”kuormanlaskuventtiilinä”. Avausmännän halkaisija ja pilottipuolen iskutilavuus ovat kuitenkin pienempiä kuin Bucherin varsinaisilla kuormanlaskuventtiileillä. Toiminta kuormanlaskuventtiilinä ei ole näin ollen aivan yhtä hienovaraista ja monipuolista.
CFS-venttiiliin on tarjolla erilaisia karoja sen mukaan mikä on tarvetoiminto.
CFS tarjoaa kaikki normaalit Bucherin lukkotyypin turvaventtiileiden turvaominaisuudet kuten vuodoton kuormanpito ja sulkeutuminen vaikka jousi katkeaisi. Venttiili sisältää myös esiohjatun sekundääriprv:n, jonka esiohj.venttiilin jousta ei rasiteta normaalikäytössä.
ESV 16 / ESV 20 / ESV 25
Kaivinkoneen letkurikkoventtiilit vaativiin sovelluksiin.
Standardit
- EN 474-5 / ISO 8643 / DIN 24093
Toiminta
- Estää toimilaitteen kontrolloimattoman laskeutumisen letkurikon sattuessa
- Pitää toimilaitteen vuodotta paikallaan kun pääsuuntaventtiili on keskiasennossaan
- Sisältää sekunääri paineenrajoituksen joka suojelee toimilaitetta ylikuormitustilanteissa
- Toiminta perustuu pitkälti Cindy kuormanlaskuventtiileihin.
Edut
- Liitännät ovat standardi SAE-laippa-liitäntöjä, venttiili voidaan näin ollen myös jälkeenpäin asentaa olemassa olevaan koneeseen ilman vaikeuksia
- Seurantaperiaatteensa ja äärimmäisen suuren pilottisuhteensa ansiosta kuormanpaineen vaihtelut (puomin eri asennoissa) eivät vaikuta toimintaan, ohjaus on aina todella tarkka
- ESV säädetään koneen mukaan niin että se ei vaikuta koneen muun hydrauliikan toimintaan. Kaivinkonemallit joissa on nostotoiminto ja joissa ei sitä ole, voivat käyttää samanlaista hydraulisysteemiä, koneen työsyklit säilyvät samanlaisina.
- Sekundäädi paineenrajoitus on painekompensoitu, voidaan käyttää suljetun keskiasennon suuntaventtiiliä, paineiden summautumista ei tapahdu. ESV:n prv avautuu juuri säädetyllä paineella
- Tarvitaan vain vuotoputki, ei lainkaan isoa tankkiputkea
- Erilaisia runkomalleja saatavilla (Kuva ylhäällä: "Standardimalli" ja "Litteä malli")
Tekniset tiedot
- Nimellinen tilavuusvirta
- ESV 16: 250 L/min
- ESV 20: 350 L/min
- ESV 25: 500 L/min
- Käyttöpaine
- max. 420 bar
- Ohjauspaineet
- Avautumisen alku
- min. 4 bar ... max. 9 bar (valittavissa)
- Täysin auki
- Avautumispaine + 14 bar + paine vuotoliitännässä
- Avautumisen alku
- Pilottisuhde
- 1:113
RS
Toimintaperiaatteeltaan perinteisen tyyppiset letkurikkoventtiilit
Tyypit
- RS, RSE, RSP/RSPR ja RSW/RSWR
Toiminta
- Letkurikkoventtiili on turvalaite, joka sulkeutuu automaattisesti jos sylinteristä tulevan tilavuusvirran suuruus ylittää letkurikkoventtiilille esisäädetyn arvon, ja näin estää sylinterin kontrolloimattoman liikkeen.
Edut
- Pieni tilantarve
- Voidaan asentaa/liittää suoraan sylinteriin
Tekniset tiedot RS
- Tyyppi: Istukkaventtiili, suoraan ohjattu
- Kiinnitystapa: Ruuvattava patruuna
RS 16
- Max työpaine: 480 bar asti
- Sulkeutumistilavuusvirran säädettävä minimiarvo: 10 L/min
- Sulkeutumistilavuusvirran säädettävä maksimiarvo: 130 L/min
RS 32
- Max työpaine: 480 bar asti
- Sulkeutumistilavuusvirran säädettävä minimiarvo: 100 L/min
- Sulkeutumistilavuusvirran säädettävä maksimiarvo: 400 L/min
Tekniset tiedot RSE / RSG
- Tyyppi: Lautasventtiili
- Kiinnitystapa: Ruuvattava patruuna
Koot: G1/4'', G3/8'', G1/2'', M18x1,5
- Max työpaine: 400 bar asti
- Sulkeutumistilavuusvirran säädettävä minimiarvo: 3 L/min (G1/4'')
- Sulkeutumistilavuusvirran säädettävä maksimiarvo: 75 L/min (G1/2'')
Tekniset tiedot RSP / RSW / RSPR / RSWR
- Tyyppi: Kuula-istukkaventtiili
- Kiinnitystapa: Ruuvattava patruuna / Runkomalli
Koot: 8, 12, 16, 20, 25, 32
- Max työpaine: 400 bar asti
- Sulkeutumistilavuusvirran säädettävä minimiarvo: 5 L/min (8-koko)
- Sulkeutumistilavuusvirran säädettävä maksimiarvo: 580 L/min (32-koko)
