Tilavuusvirran ilmaisin
Esitteet ladattaviksi oikealla sivupalkissa.
- FD 12
FD 12 (Tilavuusvirran kosketukseton havaitseminen & Sähköinen ilmoitus)
- Havaitsee kosketuksettomasti läpimenevän tilavuusvirran

- Antaa sähköisen ilmoituksen, kun Q saavuttaa säädetyn nimellisarvon (perussäätö 0,4...1,5 l/min)
- Qmax=160 L/min , pmax=420bar
- EN ISO 13849 turvavaatimusten täyttäminen
- Erilaisiin valvontatehtäviin
Tyypillinen käyttö:
Mobilekone, jonka rinnankytketyt lisälaitteet saavat tuottoa samalta painelähteeltä.
Käyttöesimerkki, mobiletyökoneen ohjauspumpun tarkkailu:
Ohjauspumpulle tuleva tilavuusvirta havaitaan ja tästä lähetetään signaali ohjaamoon näytölle. Tämän perusteella ohjaaja tietää, että pumppu toimii ja kaikki on kunnossa.
EN ISO 13849 (koneturvallisuus, turvallisuuteen liittyvät ohjausjärjestelmien osat):
Normin turvavaatimusten täyttäminen vaatii useissa tapauksissa sen, että hydraulipiiriin menolinjaan tulee asentaa erillinen sulkuventtiili (toinen sulku), joka saa ohjaustietonsa paluuseen kytketyltä painelähettimeltä. Näin varmistaan sulkeutuminen. Tällä tavoin ei kuitenkaan kyetä vielä varautumaan sellaiseen vikatilanteeseen, jos suuntaventtiilin luisti jumiutuu kytkettyyn toiminta-asentoonsa. (Ongelma tulisi ilmi vasta kun käytettäisiin toista rinnankytkettyä toimilaitetta.) Porsaanreikä voidaan poistaa FD12 tilavuusvirran ilmaisimen avulla, kytkemällä se On/Off-sulkuventtiilin jälkeen. Kun On/Off-venttiili ensin avataan, läpi ei vielä saa kulkea merkittävää tilavuusvirtaa. Kun tämä on todettu, voidaan turvallisesti käyttää haluttua suuntakaraa.
- Pieni painehäviö (katso käyrä)

- Laaja viskositeettialue (3...1500 cSt)
- Korroosionkesto ankariinkin olosuhteisiin (runko ruostumatonta terästä, muut ulko-osat sinkki-nikkeli pintakäsitelty)
- M12 liitin, A koodaus, turvaluokitus IP67
- Integroitu PTC termistori moduuli (oikosulkusuoja)
- Kytkeytyy luotettavasti ja tarkasti olosuhteista riippumatta
- Ei kulumista, pitkä käyttöikä ilman huoltoja

Tekniset tiedot (yleiset):
| Runko | Kuusiorunko AV36 |
| Tuloliitäntä | G1/2'' sisäkierre - Nimelliskoko 12 |
| Asennustapa | Putkistoasenteinen |
| Paino | 0,85 kg |
| Asennusasento | Mielivaltainen |
| Ympäristön lämpötila-alue | -40°C ... +80°C |
| Pintakäsittely | Runko ruostumatonta terästä Kaikki muut ulko-osat sinkki-nikkeli pintakäsitelty |
Tekniset tiedot (hydrauliset):
| Max. käyttöpaine | 420 bar |
| Max. tilavuusvirta | 160 l/min |
| Nimellisvirtaus (kytkentäalue) | 0,4 ... 1,5 l/min (muut kyselyn perusteella) |
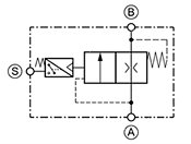
| Virtaussuunta | A —› B valvontatoiminto (katso kaaviokuva yllä) |
| Hydraulineste | HL ja HLP mineraaliöljy DIN 51 524 mukaan; muut kyselyn perusteella |
| Hydraulinesteen lämpötila-alue | -25°C ... +80°C |
| Viskositeettialue | 3 ... 1500 mm2/s (cSt) |
Min. puhtausluokka (ISO 4406 : 1999) |
Luokka 20/18/15 |
Tekniset tiedot (sähkö):
| Jännite | 24 V DC (... 36 V DC) |
| Max. oikosulkuvirta | 36 V DC |
| Ohjausvirta | 1 ... 40 mA |
| Suojausluokitus (ISO 20653 / EN 60529) | IP 67 (vastaavan pistokkeen kanssa käytettynä, oikein asennettuna ja tiivistettynä) |
| Liitäntä | M12, 4-napa (uros), A-koodaus |
| Navat | ![]() |
