Suuntaventtiilit - Bucher Hydraulics
- Yleistä
- SVC25
- SC22
- SC18
- SC12
- LVS 18
- MV
- CV
- SV
- LV
- PCV 12
Proportionaaliset Suuntaventtiilit
Painekompensoidut suuntaproportionaaliventtiilit monissa eri malleissa ja kokoluokissa.
Isoillekin tilavuusvirroille esim. Q=500 L/min per toimilaite.
Ratkaisujamme on sovellettu Suomessa 1970-luvulta lähtien. Käyttökohteita on myös erittäin turvallisuuskriittisissä järjestelmissä.

Jokaisella toimilaiteviipaleella on oma kompensaattorikaransa. Kompensaattori sijaitsee perinteisessä rakenteessa ennen suuntakaraa virtaussuunnassa katsoen (load sensing periaate). Useisiin malleihin on mahdollista yhdistää "tilavuusvirran puutteenjakotoiminto" päätyyn lisättävällä venttiilillä. Näiden perinteisten prekompensoitujen (esim. SC... tai MV... tai CV...) propojen rinnalle on nykyisin tarjolla myös postkompensoidut mallit LVS18/22 (flow sharing periaate).

Tyypit: Väliviipaleventtiilit, Monoblockit, Laattamallit
Koot: NS12 / NS18 / NS22 / NS25 / (NS35 erikoismalli)
Modulaarinen rakenne takaa sen, että propoista on mahdollista rakentaa tarkoin sovelluksen tarpeita vastaava kokonaisuus (tarvitut toiminnot, käyttäytyminen, ohjaustavat, ...)
SVC 25 - Proportionaalinen Suuntaventtiili
Väliviipaletyyppi (Sandwich)
Prekompensoitu (load sensing)
Etuja:
- Kompaktimpi versio Bucherin aiemmasta koon 25 venttiilistä
- Painekompensaattori joka väliviipaleessa
- Ohjaus on tunnoton kuorman muutoksille
- Väliviipaleiden rinnakkaiskäyttö
- Enemmän toimintoja
- Eri ohjaustavat (käsivipu, sähköhydraulinen,hydraulinen)
- Saatavissa kaikki samaan väliviipaleeseen
- AVR-venttiili (tilavuusvirran "puutteen jako") saatavilla venttiilin yhteyteen
Tekniset tiedot:
- Nimelliskoko 25
- Max työpaine 350 bar
- Max kuormanpaine: 420 bar
- Max tilavuusvirta yhdelle toimilaitteelle: 500 l/min
- Max määrä väliviipaleita: 9
AVR – Tilavuusvirran ”puutteen jako”
- Jos toimilaitteille menevä tilavuusvirta ylittää pumpun tuoton, AVR-venttiili automaattisesti pienentää suuntakarojen ohjauspainetta
- Diesel ei sammu
- Toimilaitteiden nopeus pienenee samassa suhteessa toisiinsa
- Kaikki toiminnot ovat yhä käytössä
- ”Aikojen alussa” ensimmäinen patentti tästä aiheesta oli Bucherin tekemä
- Vrt. muut ”puutteenjakoventtiilit” kuten esim. erään valmistajan ”LUDV”
- Vaativat toteutuksessa usein lisäkomponentteja kuten vaikkapa erillisen servosylinterin
- Bucherin AVR (Automatische Volumenstrom Regelung)
- Suuntaventtiilin päätylohkossa venttiili jolla säädetään max ohjauspainetta joka käytössä väliviipaleilla
- Pienentämällä max ohjauspainetta, väliviipaleiden suuntakarojen iskua rajoitetaan
SC 22 - Proportionaalinen Suuntaventtiili
Väliviipaletyyppi (Sandwich)
Prekompensoitu (load sensing)
Edut:
- Kompakti
- Enemmän toimintoja
- Painekompensaattori joka väliviipaleessa
- Ohjaus on tunnoton kuorman muutoksille
- Väliviipaleiden rinnakkaiskäyttö
- Enemmän toimintoja
- Eri ohjaustavat (käsivipu, sähköhydraulinen,hydraulinen)
- Saatavissa kaikki samaan väliviipaleeseen
- AVR-venttiili (tilavuusvirran "puutteen jako") saatavilla venttiilin yhteyteen
Tekniset tiedot:
- Nimelliskoko: 22
- Maksimi käyttöpaine: 350 bar (5075psi)
- Max kuormanpaine: 420 bar
- Nimellisvirtaus: 340 L/min (90 g/min)
- Maksimi määrä väliviipaleita: 6
Ohjausvaihtoehdot:
- Sähkö-hydraulinen
- Käsivipu
- Yhdistelmät
Saatavilla optiolla: EUM – Tilavuusvirran ”puutteen jako”
SC 18 - Proportionaalinen Suuntaventtiili
Väliviipaletyyppi (Sandwich)
Prekompensoitu (load sensing)
Taakan suuruudesta riippumaton virtauksen säätö jopa silloin kun käytetään useita toimilaitteita samanaikaisesti. Viipalekohtaiset painekompensaattorit ylävirtaan suuntakaraan nähden. Modulaarinen rakenne sisältäen päätykappaleet ja jopa 8 kpl toimilaiteviipaletta. Voidaan käyttää niin kiinteätilavuuksisten- kuin LS-pumppujenkin kanssa. Paineleikkuri saatavissa joka toimilaiteportille. Kompakti rakenne joka suunniteltu liikkuvan kaluston koneisiin.
Qmax sisään: 400 L/min
Qmax toimilaitteelle: 260 L/min
pmax pumpulta: 370 bar
pmax kuorma: 420 bar
Ohjaustavat: Sähköhydraulinen / Hydraulinen / Käsivipu / Yhdistelmät
Liitännät: G-Kierreliitännöin / SAE-laipoin (A/B/P/T)
SC 12 - Proportionaalinen Suuntaventtiili
Väliviipaletyyppi (Sandwich)
Prekompensoitu (load sensing)
Kuormasta riippumaton virtauksen säätö jopa useita toimilaitteita samanaikaisesti käytettäessä. Jokaisella viipaleella on oma kompensaattorinsa, joka sijaitsee virtaussuunnassa katsoen ennen pääkaraa.
Modulaarinen rakenne takaa sen, että SC12 on tarkasti räätälöitävissa käyttökohteen tarpeiden mukaiseksi. Toimilaiteviipaleita voi olla jopa 8 kpl. Tuloviipale voi sijaita päädyssä tai keskellä.
LS-signaali saatavissa. Sopii käytettäväksi niin vakiotilavuuksisten- kuin säätyvätilavuuksistenkin pumppujenkin kanssa.
Qmax sisään: 200 L/min
Qmax toimilaitteelle (kompensaattori ilman kuormanpito toimintoa): 130 L/min
Qmax toimilaitteelle (kompensaattori kuormanpitotoiminnolla): 95 L/min
pmax pumpulta: 370 bar
pmax kuorma: 420 bar
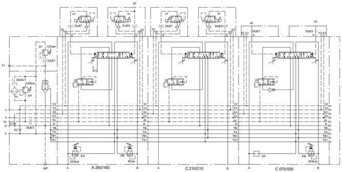
LVS 18 - Proportionaalinen suuntaventtiili
Väliviipaletyyppi (Sandwich) 
Postkompensoitu (flow sharing)
Viipalekohtaiset painevaa'at, jotka kytketty virtaussuuntaan suuntakaran jälkeen:
-
Tilavuusvirran "puutteen jako" samassa suhteessa toimilaitteiden kesken
-
Jos pumpun tuotto riittämätön, niin kaikki toiminnot hidastuvat samassa suhteessa
-
Vältytään siltä, että eniten kuormitettu toiminto pysähtyisi täysin, jne.
-
Ohjaus tunnoton kuorman vaihteluille (kuormasta riippumaton tilavuusvirransäätö myös useampia toimilaitteita rinnan käytettäessä)
Tekniset tiedot (lisää teknisiä tietoja, katso sivupalkin datasheet):
| Qmax (pumpulta) | 400 L/min |
| Qmax (toimilaitteelle) | 260 L/min |
| Max. pumpun paine | 370 bar |
| Max. kuormanpaine | 420 bar |
Yleistä:
- Sandwich tyyppinen lohko
- Sovitettavissa
- Säätötilavuuspumpuille
- Vakiotilavuuspumpuille
- Mahdollista yhdistellä Bucherin muiden suuntaventtiililohkojen kanssa
- Osa viipaleista isommille tilavuusvirroille
- Osa pienemmille tilavuusvirroille
- Saatavilla myös räjähdysvaarallisiin ympäristöihin soveltuvana mallina
- ATEX laiteluokat G ja D
- Tarkka Ex-suojaustyyppi kyselyn perusteella
- Kuormitustieto (LS-signaali) pumpulle ilman vaihtovastaventtiiliketjuja
- Paine-ero (pumpun paine - max. kuormanpaine) noin 12 bar venttiilin tuloliitännässä
- Tuloviipale / 1-8 toimilaiteviipaletta / Päätyviipale

- Paljon tuloviipalevaihtoehtoja
- Primääriprv, LS-prv, ...
- Toimilaiteviipaleissa
- Eri ohjaustapavaihtoehdot
- Käsivipu
- Hydraulinen
- Sähköhydraulinen
- On-Board-Elektroniikka (kenttäväyläohjaus)
- CAN Open-ohjaus, aseman säätö, ominaiskäyrän sovitus, diagnosointivalmius
- Toiminnallinen turvaluokitus EN ISO 13849, PL "c"
- Yhdistelmät
- Paljon karavaihtoehtoja
- Pikaliike
- Kellutus
- Toimilaiteliitännöille vaihtoehtoja
- Shokkiventtiili/imuventtiili/yhdistelmä
- Liitännät: Kierreliitännät (DIN 3852 tai UNF) tai SAE-laippaliitännät
Sovelluskohde-esimerkkejä:
- Mobilenosturit
- Paloautot
- Kaivoskoneet / Tunneliporat

- Materiaalinkäsittelykoneet
- Kurottajat
- Konttikurottajat
- Maa-/kallioporakoneet
- Nostolavat
- Offshore sovellukset
- Metsäkoneet
- Pyöräkuormaajat
- Kaivinkoneet
Esimerkkikaavio:

MV - Proportionaalinen Suuntaventtiili
Monoblock tyyppi
Prekompensoitu (load sensing)
Proportionaaliset suuntaventtiilit MV 08, MV 12, MV 18 ja MV 25 on tarkoitettu säätämään hydraulimoottoreiden ja -sylinterien nopeutta kuormasta riippumatta.
Edut:
- Monoblock-rakenne
- Joustava rakennussarjaperiaate
- Maksimitilavuusvirta asetettavissa yksilöllisesti kullekin toimilaitteelle ja liikesuunnalle erikseen
- Mahdollista saada 1-4:llä suuntakaralla (1-4:lle toimilaitteelle)
- Sisältää pumpun paineenrajoitusventtiilin (3-tie painevaa'an) tai paineenalennustoiminnon (2-tie painevaa'an)
Tekniset tiedot:
MV 08
- Nimellinen tilavuusvirta: 50 l/min
- Käyttöpaine: 350 bar
- Maksimipaine tankkiliitännässä: 50 bar
- Hydraulinesteen lämpötila-alue: -20...+80 °C
- Hydraulinesteen viskositeetti: 15...380 mm²/s
- Jännite: 12 V tai 24 V
MV 12
- Nimellinen tilavuusvirta: 100 l/min
- Käyttöpaine: 350 bar
- Maksimipaine tankkiliitännässä: 50 bar
- Hydraulinesteen lämpötila-alue: -20...+80 °C
- Hydraulinesteen viskositeetti: 15...380 mm²/s
- Jännite: 12 V tai 24 V
MV 18
- Nimellinen tilavuusvirta: 200 l/min
- Käyttöpaine: 350 bar
- Maksimipaine tankkiliitännässä: 50 bar
- Hydraulinesteen lämpötila-alue: -20...+80 °C
- Hydraulinesteen viskositeetti: 15...380 mm²/s
- Jännite: 12 V tai 24 V
MV 25
- Nimellinen tilavuusvirta: 450 l/min
- Käyttöpaine: 350 bar
- Maksimipaine tankkiliitännässä: 50 bar
- Hydraulinesteen lämpötila-alue: -20...+80 °C
- Hydraulinesteen viskositeetti: 15...380 mm²/s
- Jännite: 12 V tai 24 V
Ohjaustavat:
- Sähköinen
- Hydraulinen
- Yhdistetty sähkö/hydraulinen
- Manuaalinen
- Yhdistetty sähkö/manuaalinen
- Yhdistetty hydraulis/manuaalinen
Sovellusesimerkkejä:
- Rakennuskoneet
- Jätteenkäsittely
- Kunnalliskoneet
- Kaivoskoneet
- Sotilassovellukset
- Offshore
CV Compac - Proportionaalinen suuntaventtiili
Monoblock Laattamalli
Prekompensoitu (load sensing)
Proportionaaliset suuntaventtiilit CV 08, CV 12, CV 18 ja CV 25 on tarkoitettu säätämään hydraulimoottoreiden ja -sylinterien nopeutta kuormasta riippumatta.
Edut:
- Monoblock-rakenne laattamallisena 2-tie painevaa'alla (toimilaitekohtainen)
- Joustava rakennussarjaperiaate
- Maksimitilavuusvirta asetettavissa yksilöllisesti kullekin toimilaitteelle ja liikesuunnalle erikseen
- Pumpulta päin tulevien paineiden rajoitus tai alennus
Tekniset tiedot:
CV 08
- Nimellinen tilavuusvirta: 50 l/min
- Käyttöpaine: 350 bar
- Maksimipaine tankkiliitännässä: 50 bar
- Hydraulinesteen lämpötila-alue: -20...+80 °C
- Hydraulinesteen viskositeetti: 15...380 mm²/s
- Jännite: 12 V tai 24 V
CV 12
- Nimellinen tilavuusvirta: 100 l/min
- Käyttöpaine: 350 bar
- Maksimipaine tankkiliitännässä: 50 bar
- Hydraulinesteen lämpötila-alue: -20...+80 °C
- Hydraulinesteen viskositeetti: 15...380 mm²/s
- Jännite: 12 V tai 24 V
CV 18
- Nimellinen tilavuusvirta: 200 l/min
- Käyttöpaine: 350 bar
- Maksimipaine tankkiliitännässä: 50 bar
- Hydraulinesteen lämpötila-alue: -20...+80 °C
- Hydraulinesteen viskositeetti: 15...380 mm²/s
- Jännite: 12 V tai 24 V
CV 25
- Nimellinen tilavuusvirta: 450 l/min
- Käyttöpaine: 350 bar
- Maksimipaine tankkiliitännässä: 50 bar
- Hydraulinesteen lämpötila-alue: -20...+80 °C
- Hydraulinesteen viskositeetti: 15...380 mm²/s
- Jännite: 12 V tai 24 V
Ohjaustavat:
- Sähköinen
- Hydraulinen
- Yhdistetty sähkö/hydraulinen
- Manuaalinen
- Yhdistetty sähkö/manuaalinen
- Yhdistetty hydraulis/manuaalinen
Sovellusesimerkkejä:
- Rakennuskoneet
- Jätteenkäsittely
- Kunnalliskoneet
- Kaivoskoneet
- Sotilassovellukset
- Offshore
SV (Sandwich venttiilit)
Proportionaaliset suuntaventtiilit SV 12, SV 18 ja SV 25 on tarkoitettu säätämään hydraulimoottoreiden ja -sylinterien nopeutta kuormasta riippumatta.
Edut:
- Kompakti sandwich-rakenne
- Joustava rakennussarjaperiaate
- Maksimitilavuusvirta asetettavissa yksilöllisesti kullekin toimilaitteelle ja liikesuunnalle erikseen
- Jopa 8:lle toimilaitteelle
- Toimilaitteiden samanaikainen liikuttelu (toimilaitekohtaiset kompensaattorit)
- Kompensaattorin yhteyteen mahdollista liittää myös vastaventtiilitoiminto
- Pumpulta päin tulevien paineiden alennus erikseen jokaiselle toimilaitteelle
Tekniset tiedot:
SV 12
- Nimellinen tilavuusvirta: 95 l/min
- Käyttöpaine: 350 bar
- Maksimipaine tankkiliitännässä: 50 bar
- Hydraulinesteen lämpötila-alue: -20...+80 °C
- Hydraulinesteen viskositeetti: 15...380 mm²/s
- Jännite: 12 V tai 24 V
SV 18
- Nimellinen tilavuusvirta: 190 l/min
- Käyttöpaine: 350 bar
- Maksimipaine tankkiliitännässä: 50 bar
- Hydraulinesteen lämpötila-alue: -20...+80 °C
- Hydraulinesteen viskositeetti: 15...380 mm²/s
- Jännite: 12 V tai 24 V
SV 25
- Nimellinen tilavuusvirta: 450 l/min
- Käyttöpaine: 350 bar
- Maksimipaine tankkiliitännässä: 50 bar
- Hydraulinesteen lämpötila-alue: -20...+80 °C
- Hydraulinesteen viskositeetti: 15...380 mm²/s
- Jännite: 12 V tai 24 V
Ohjaustavat:
- Sähköinen
- Hydraulinen
- Yhdistetty sähkö/hydraulinen
- Manuaalinen
- Yhdistetty sähkö/manuaalinen
- Yhdistetty hydraulis/manuaalinen
Sovellusesimerkkejä:
- Rakennuskoneet
- Jätteenkäsittely
- Kunnalliskoneet
- Kaivoskoneet
- Sotilassovellukset
- Offshore
LV 16 / LV 22
Proportionaaliset suuntaventtiilit LV 16 ja LV 22 on tarkoitettu säätämään hydraulimoottoreiden ja -sylinterien nopeutta kuormasta riippumatta.
Edut:
- Kompakti sandwich-rakenne
- Joustava rakennussarjaperiaate
- Kevyt ja pienikokoinen, vähemmän O-renkailla tiivistettäviä viipaleita
- Maksimitilavuusvirta asetettavissa yksilöllisesti kullekin toimilaitteelle ja liikesuunnalle erikseen
- Jopa 8:lle toimilaitteelle
- Toimilaitteiden samanaikainen liikuttelu (toimilaitekohtaiset kompensaattorit)
- Pumpulta päin tulevien paineiden alennus jokaiselle toimilaitteelle
Tekniset tiedot:
LV 16
- Nimellinen tilavuusvirta: 180 l/min
- Käyttöpaine: 350 bar
- Maksimipaine tankkiliitännässä: 50 bar
- Hydraulinesteen lämpötila-alue: -20...+80 °C
- Hydraulinesteen viskositeetti: 15...380 mm²/s
- Jännite: 24 V
LV 22
- Nimellinen tilavuusvirta: 330 l/min
- Käyttöpaine: 350 bar
- Maksimipaine tankkiliitännässä: 50 bar
- Hydraulinesteen lämpötila-alue: -20...+80 °C
- Hydraulinesteen viskositeetti: 15...380 mm²/s
- Jännite: 24 V
Ohjaustavat:
- Sähköinen
- Hydraulinen
- Yhdistetty sähkö/hydraulinen
Sovellusesimerkkejä:
- Rakennuskoneet
- Jätteenkäsittely
- Kunnalliskoneet
- Kaivoskoneet
- Sotilassovellukset
- Offshore
PCV 12 (Laatta-asenteinen LS-suuntaventtiili)
Edut:
- Tarkka ohjaus
- Oma painekompensaattori
- Karojen hionnat
- Vian sattuessa helppo vaihtaa (4 kiinnitysruuvia irti, vanha venttiili pois ja uusi tilalle)
- Kehitetty alun perin autobetonipumppuihin
- Jos viallisen venttiilin vaihto kestää kauan, betoni kovettuu putkeen
- Kompakti venttiilirakenne
- Aluslaatassa yhden venttiilin vaatima tila n. 90 mm sivuttaissuunnassa
- Vierekkäisten venttiilien kiinnitysruuvit menevät limittäin
Tekniset tiedot:
- Nimelliskoko: 12
- Nimellisvirtaus: 100 L/min
- Maksimi työpaine: 420 bar
- Toiminta: Load-sensing periaate
Venttiilin ominaisuudet:
- Oma esikytketty 2-tie-painekompensaattori
- Shokki-/imuventtiilit saatavissa kumpaankin toimilaitelinjaan
- LS-ulostulo
- Molemmissa toimilaitelinjoissa oma työpaineen paineenrajoitus
- (LS-painerajat, huom: A-linjan asetus ≤ B-linjan asetus)
- Pääsuuntakaran iskunrajoitusmahdollisuus (molemmin puolin)
- Eri karavaihtoehtoja (karojen hiontoja myös asiakastoiveen perusteella)
- Eri ohjaustavat (hydraulinen, sähköinen, käsivipu, yhdistelmät)
